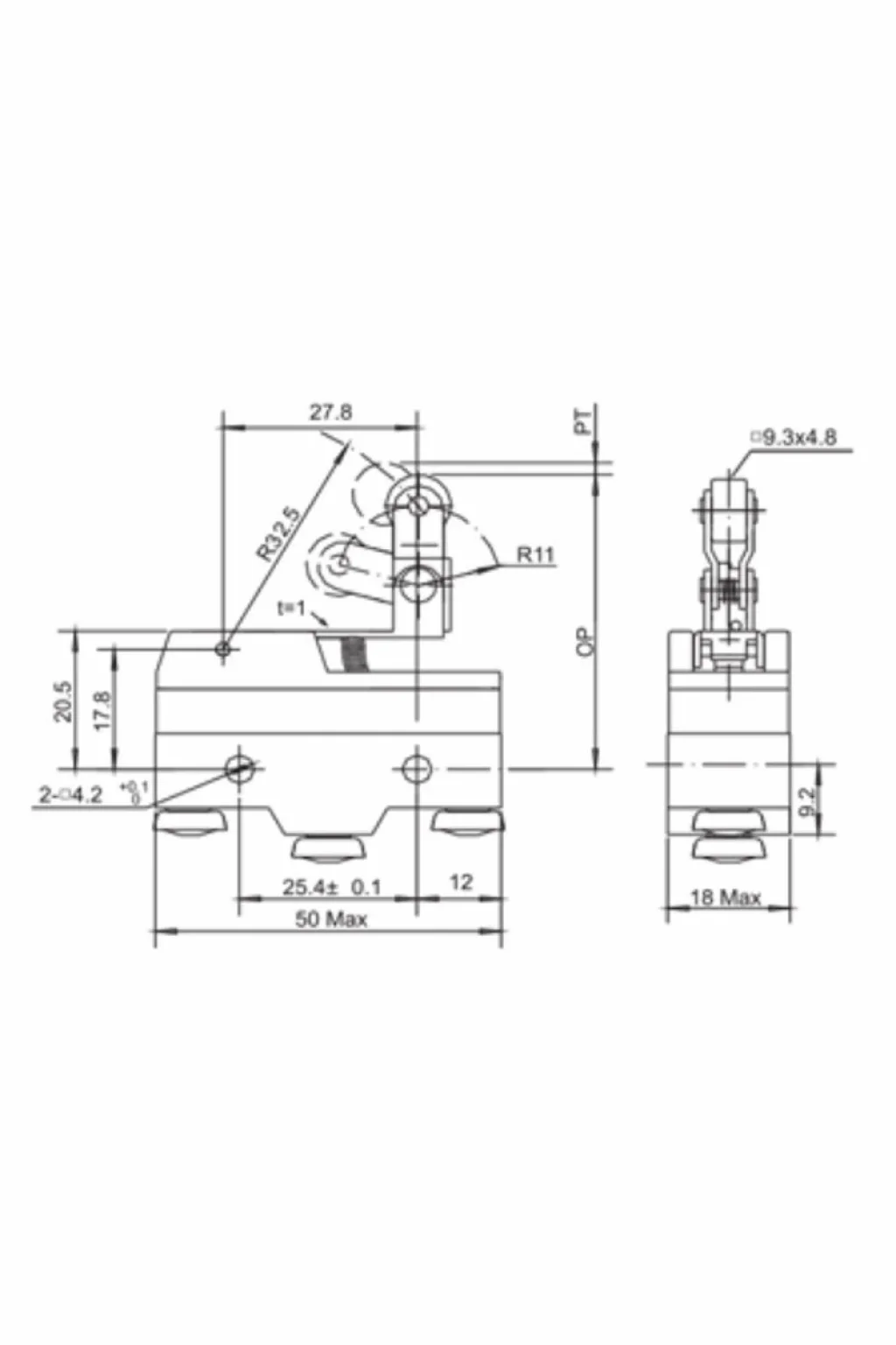
Gwest AZ‑15GW2277‑B, tahrikli metal makaralı mikro switch yapısıyla, uzak pozisyonlu aktüasyon ihtiyaçlarına cevap verir. 15A temas kapasitesi, endüstriyel makinelerde güvenilir anahtarlama sunar. 20’li set, üretimlere ve bakım stoğuna uygundur.
Tahrik kolu ve makaralı kontaktör mekanizması, harekete göre doğru tepki verir. Yangın kapıları, otomasyon hatları, konveyör sistemleri gibi uygulamalarda tercih edilir. IP koruması sayesinde zorlu ortamlara dayanıklıdır.
